{{selectedProduct.content}}
{{selectedProduct.description}}
管の構造計算では、内水圧、土圧、活荷重によって生じる管の応力、たわみ率および変形率に対して、安全な管種および継手構造を選択することができます。


















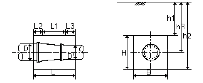
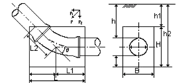
一体化長さの計算では、曲管・T字管・片落管等の異形管に働く不平均力に抵抗する離脱防止継手や金具を用いた場合の必要な管路一体化長さを計算することができます。























曲管・片落管等の異形管に働く不平均力に抵抗するのに必要なスラストブロックの照査を地耐力の照査も含め実施することが可能です。
















ダクタイル鋳鉄管、ポリエチレン管、鋼管、塩化ビニル管および自動車荷重の各諸元値を、あらかじめ諸元データとして登録することが可能で、追加、変更および削除等の編集を随時行うことが可能です。


検討する際に複数のケース(マルチドキュメント)を同時に扱うことが簡単な操作で行えます。
Microsoft Wordに計算結果を高速で直接出力することができ、計算書における数式や図形および表など全てWordで作成した場合と同じようにネイティブなWordデータとして出力され、見出しマップも自動的に作成されますので文章の検索や編集が容易にできます。
※ 直接プリンタやPDFファイルにも出力することができます。
※ PDFファイルを出力する場合には、別途Adobe Acrobatが必要になります。
すべて最新バージョンでの対応となります。
一般販売されたWindows OSに向けて開発されており、「Windows LTSB/LTSC」には対応しておりません。
Civil Softシリーズは、32ビットアプリケーションです。
64ビット版Windowsでは、32ビット互換モードで動作します。
※ Microsoft Windows 10 および Microsoft Office 2021 / Microsoft 365 は、米国マイクロソフト社の商標です。
| 機能 | {{item.version}} | |
|---|---|---|
| {{logitem}} | ✔ |
{{item.version}}